亞太科學教育論壇, 第三期, 第二冊, 文章十(二零零二年十二月)
羅道正
電蚊拍的教學應用
上一頁 內容 下一頁

電蚊拍的教學應用

一. 導體、非導體、靜電場和電位


圖二:
放電接點

利用已知一般空氣在電場強度超過3 ×106V/m 的條件之下會被游離而開始導電的物理特性[1],只要在電蚊拍拍面上相鄰的兩條裸線各焊上一個凸出的放電接點如圖二(用剪下的電子零件多餘接腳即可),然後調整他們彼此尖端的間隔距離到0.2mm 以內(約為一張紙的厚度即可),若以1000伏特以上的直流電壓對此放電接點提供電位差,這將會產生(1000V/0.2mm)= 5×106 V/m 的電場,可以達到一般空氣被游離而開始導電的物理條件,此時放電接點之間會不斷的發出電光閃動和霹哩啪啦的聲響,添加了聲光效果的電蚊拍立刻會吸引您周圍所有同學的注意與好奇,讓他們拿去輪流玩一玩之後,我覺得同學們會更願意加入靜電學部分關於導體與非導體、靜電場和電位差的討論。

照片三: 在電網線上加上兩個放電接點

二. 電容器、電容值和介電質材料
如果將紙片滑入電蚊拍的放電接點之間會如何呢?會停止放電或減弱放電嗎?還是會反應的更劇烈呢?可以在普通物理課本裡查表比較一下空氣和紙片的介電常數(K=ε/ε0)及介電強度(V/m),因為紙片的介電常數是空氣的3.7倍且紙片的介電強度是空氣的5倍[2],所以將紙片滑入電蚊拍的放電接點之間會增加電容值(C=Q/V=εA/d),每單位電壓能儲存的電荷數目增加且操作電壓亦增加的結果,自然使得放電接點之間會產生更劇烈的聲光效果,足以在紙片上燒出許多小洞,其實每當您用電蚊拍去電蚊子時,如果壓著開關電久一點,也會觀察到有電光閃動和霹哩啪啦的聲響,這適合用來討論靜電學部份關於電容器的電容值、介電質材料。

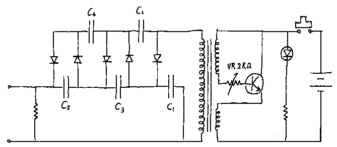
三. RC電路、電容器的頻率響應和阻抗

C1到C5用0.0047μF耐壓1000V以上,可變電阻用2kΩ到10kΩ,其它元件與圖一相同
圖三: 電路圖

電蚊拍也是很有意思的基本電路教學例子,請參考電路圖(如圖三),如果在電晶體的回授放大振盪電路之中加上一個適當的可變電阻,它能有效的衰減回授訊號,使輸出端的電壓成為可以任意調變的大小,調可變電阻使輸出端的電壓不超過手邊電錶的量測範圍,然後就可以量出這電路上每一處的直流電壓值和交流電壓值。
電容器C1~5可以讓高頻率的交流電壓通過(電容器的交流電阻抗XC=1/ωC=1/2πfC),但是電容器C1~5會隔離直流電壓(各自達到它的RC充電穩態電壓值),藉由半導體的單向導電特性,電容器C1和C3之間的直流電壓值就成為電容器C2和C4之間交流電壓的參考低電位,同理,電容器C2和C4之間的直流電壓值就成為電容器C3和C5之間交流電壓的參考低電位…,由一連串的電容器和整流二極體所組成的壘增倍壓電路可以用來討論普通物理學繼靜電學之後的RC電路、電容器的頻率響應和阻抗。

四. 磁場、法拉第定律和RL電路

線圈變壓器是常見的磁性電路元件,電蚊拍的線圈變壓器通常有六隻腳,這三組線圈利用同一隻鐵蕊內磁通量變化產生的感應電動勢去控制電晶體的開關動作和升高電壓。

圖四: 電蚊拍內線圈變壓器的分解圖

圖四是電蚊拍內線圈變壓器的分解圖,接腳3和4之間的線圈在按下開關後,此一RL電路會容許微小的控制電流開始進入電晶體的基極而造成電晶體的集極與射極之間進入導通的狀態,因而有較大的電流進入接腳1和2之間的線圈,這會造成線圈內鐵蕊之磁通量變化而在接腳5和6之間的線圈上產生出感應電動勢,線圈內鐵蕊之磁通量變化當然也會在接腳3和4之間的線圈上產生出感應電動勢,而且感應電動勢的方向是減少電流進入電晶體的基極而造成電晶體的集極與射極之間進入不導通的狀態,以上的電晶體開關動作速度極快,不斷重複的結果就產生間歇振盪的電子訊號,因為接腳5和6之間的線圈數目很多,所以產生出很大的感應電動勢送至由電容器和整流二極體所組成的壘增倍壓電路,這用來產生低功率的高壓電確實簡單好用。

最後以我修好的那隻電蚊拍為例,線圈變壓器接腳1和2之間的線圈有12圈,接腳3和4之間的線圈有24圈,至於接腳5和6之間的線圈數目則多達1345圈,花了約二小時才接好斷路的漆包線並一一地繞回去,如果只要判斷變壓器接腳,以掌上型多用途電錶的歐姆檔測試即可,圈數越多者電阻越大(R=ρL/A)。


Copyright (C) 2002 HKIEd APFSLT. Volume 3, Issue 2, Article 10 (Dec., 2002). All Rights Reserved.